Добро пожаловать, Гость
Логин: Пароль: Запомнить меня
  • Страница:
  • 1

ТЕМА: Ламповая радиоаппаратура прошлого столетия.

Ламповая радиоаппаратура прошлого столетия. 12 Янв 2015 01:07 #409

  • Siola
  • Siola аватар
  • Вне сайта
  • Живу я здесь
  • Сообщений: 670
Схемы, инструкции пользователя.
Приземлился тут! И окончательно...
Последнее редактирование: 12 Янв 2015 02:05 от Siola.
Администратор запретил публиковать записи.

Ламповая радиоаппаратура прошлого столетия. 12 Янв 2015 10:51 #430

  • Jenik
  • Jenik аватар
  • Вне сайта
  • Осваиваюсь на форуме
  • Сервис брендовых винтажей
  • Сообщений: 27
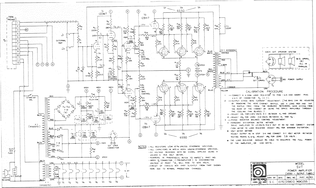
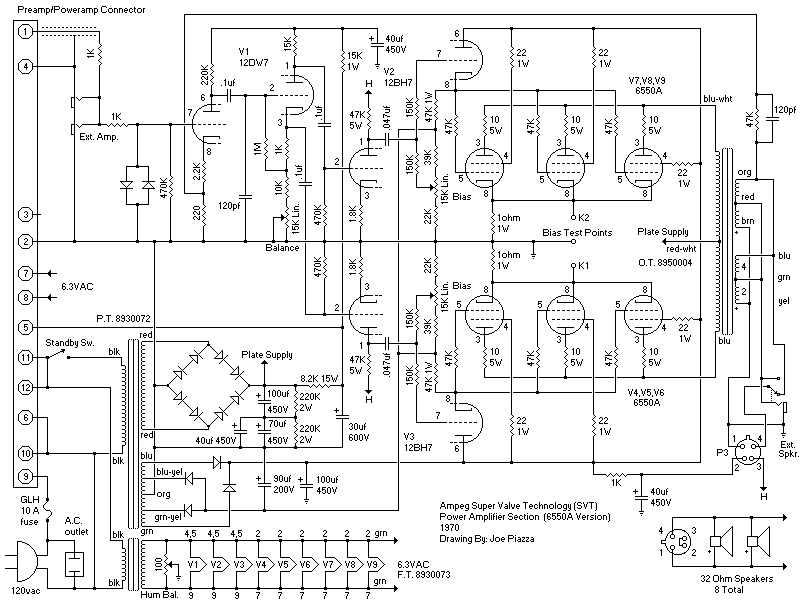
AMPEG
Вложения:
Администратор запретил публиковать записи.
Спасибо сказали: etlik
  • Страница:
  • 1

Дни рождения

etlik 1 день (57)
Время создания страницы: 0.418 секунд
Белорусский рейтинг MyMinsk.com Каталог TUT.BY Каталог белорусских сайтов Счетчик посещений сайта Яндекс.Метрика